Miernik analog.volt.kw.10V (1PH) [51-210# ]
Voltomierz analogowy
Specyfikacja:
- Zakres pracy: 0-10 V
- Rodzaj prądu: DC
- Dokładność: CLASS 2,5
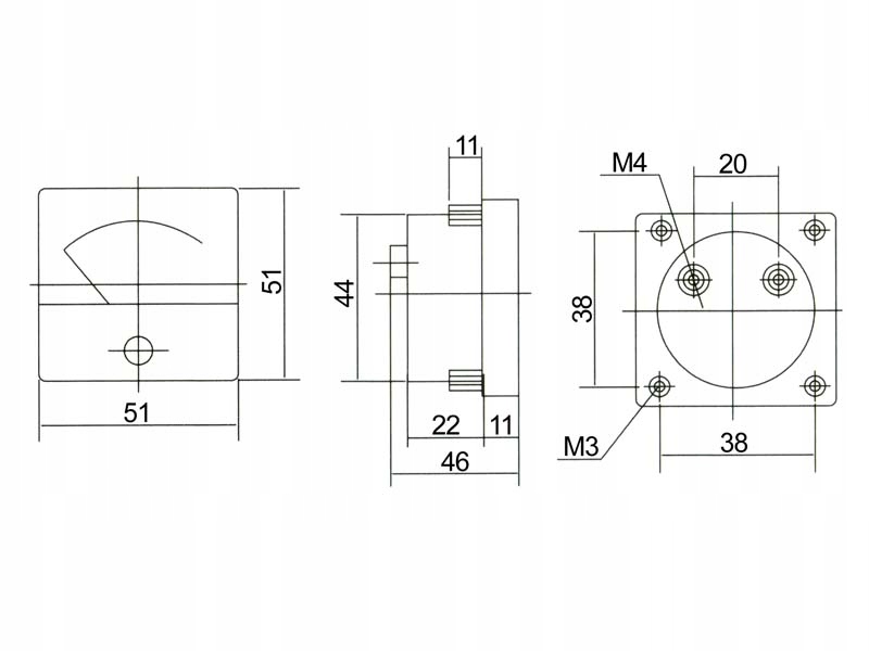
- Wymiary: rysunek w galerii
- części do pojazdów; zespoły napędowe, przekładnie, silniki, moduły i piloty RC, ładowarki, przełączniki, itp.
- akumulatory AGM; wszystkie dostępne na rynku rodzaje baterii 6V oraz 12V wraz z kilkoma rodzajami dedykowanych do nich ładowarek
- panele słoneczne; wraz z osprzętem
- urządzenia pomiarowe oraz sterujące; termometry, termostaty, regulatory obrotów, testery
- narzędzia i wyposażenie warsztatowe; lutownice, mierniki, koszulki termokurczliwe, zaciskarki, itp.
- i wiele, wiele innych;