Unifon Wielolokatorski do Instalacji 2-Żyłowych SLIM
CYFRAL SLIM
- Typ: Analogowy
- Rodzaj zasilania:z Centrali Domofonowej
- Kolor: Biały - Czarny
Słuchawka, Unifon domofonowy:
✔️ Przeznaczony do pracy w systemach dwużyłowych z centralami domofonowymi CYFRAL typ TD3, TD4, TD6, CC-1000/1500
✔️ Posiada funkcję tak zwaną "sekretność rozmów" - brak podsłuchu między lokatorami
✔️ 3-stopniowa regulacja głośności z możliwością całkowitego wyciszenia
Zestaw zwiera:
- 1 szt. Słuchawka do domofonu SLIM CYFRAL w kolorze biało-czarnym
Specyfikacja techniczna:
- Typ unifonu: Analogowy
- Rodzaj zasilania: z centrali domofonowej
- System łączenia: 2-żyłowy
- Sterowanie bramą automatyczną: Tak
- Sterowanie oświetleniem: Nie
- Regulacja głośności: Tak
- Kolor unifonu: biało-czarny
Wymiary Unifonu:
- Szerokość: 78 mm
- Wysokość: 195 mm
- Głębokość: 26 mm
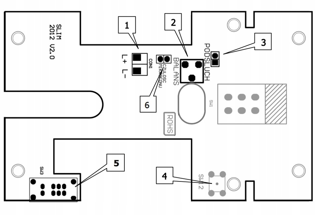
1. Złącze do podłączenia linii unifonu przychodzącej z centrali
2. Potencjometr regulacji efektu antylokalnego
3. Złącze dwunóżkowe - jumper - zwarcie zworą przekształca unifon z wersji bez podsłuchu na wersję z podsłuchem, szczególnie przydatną w instalacjach w domkach jednorodzinnych, gdzie podsłuch wejścia, jak również pełna aktywność unifonu po zdjęciu z uchwytu, bez konieczności wcześniejszego jego wywołania, może być pożądana.
4. Przycisk otwierania zamka
5. Trójpozycyjny przełącznik głośności dzwonka:
- wysoki
- średni
- wyłączony
6. Regulacja czułości mikrofonu
- zwora założona – wysoka czułość
- zwora zdjęta – czułość obniżona