✔️Dane techniczne:
Numer części: 615001
EAN:
Jednostka: Sztuka
Marka: Comer
Zastosowanie: Różne zastosowania (w rolnictwie)
Informacje techniczne:
- W przypadku pytań dotyczących mocy przy prędkości obrotowej prosimy zwrócić się bezpośrednio do nas
- Przy pierwszym użyciu wymienić olej po 50 roboczogodzinach
Współczynnik przełożenia: 1:1
Składa się z:
- Przekładnia
- Bez oleju
Moc na wejściu max.: 62,6kW
Moment obrotowy na wyjściu max.: 1071nm
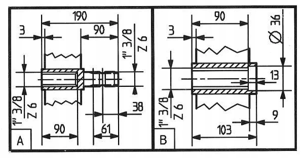
Średnica zew. połączenia 1: 1-3/8cal
Liczba rowków połączenia 1: 6
Średnica zew. połączenia 2: 1-3/8cal
Liczba rowków połączenia 2: 6
Układ kół zębatych w porządku rosnącym: 214
Zawiera olej: Nie
Ilość oleju max.: 1,5l
Częstotliwość wymiany oleju: 500h
Klasa lepkości oleju SAE: 80W-90
Materiał obudowy: Żeliwo GG40
Waga: 35kg
Podana cena dotyczy: 1 szt.
KRAMP - LIDER W BRANŻY ROLNICZEJ Kramp to największy w Europie dostawca części zamiennych dla branży rolniczej, leśnictwa i pielęgnacji ogrodów, Jest głównym partnerem przedsiębiorstw z branży rolniczej, leśniczej, prac ziemnych i pielęgnacji użytków zielonych. Kramp to kompleksowy dostawca oferujący praktycznie wszystko, czego potrzebuje nowoczesne gospodarstwo rolnicze - od drobnych części zamiennych po kompletne maszyny i systemy.