Lemiesz łyżki 90x22 mm x3.2 m HB250
✔️Dane techniczne:
Numer części: KT7023200
EAN:
Jednostka: Sztuka
Specyfikacje: Odporność na zużycie Z przodu spaw na całej długości, z tyłu "spaw punktowy"
Zastosowanie: Ładowarka dozująca i lekka łyżka ziemna
Informacje techniczne: Stal 250 HB nadaje się zarówno do spawania elektrycznego jak w procesie MIG-MAG. Ważne jest, aby spawany materiał został podgrzany do temp. od 50°C do 75°C oraz, aby chłodzenie materiału zespawanego odbywało się pod kontrolą Elektrycznie: poleca się elektrodę bazową, jednak można używać także elektrodę standardową MIG-MAG: poleca się drut SG3, jednak można używać także drutu standardowego SG2
Korzyści: Długa żywotność Łatwa wymiana
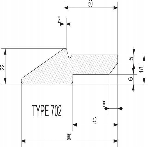
Szerokość całkowita listwy: 90 mm
Grubość: 22 mm
Długość całkowita listwy: 3200 mm
Twardość HB materiału - kod: 250
Waga: 30,4 kg