Hamulec hydrauliczny BK2-1-430-A-A-B LB288C-43C
Hamulce serii BK2 są jednym z rodzajów hamulców tarczowych. Siła hamowania jest spowodowana przez sprężynę, a ciśnienie hydrauliczne zwalnia siłę hamowania.
Funkcje następujące:
- Seria BK2 posiada specjalną tarczę cierną i sprężynową konstrukcję o wysokiej wytrzymałości
- Długa żywotność, niski poziom hałasu, wysoka niezawodność hamowania.
- Dzięki 4 otworom spustowym hamulec może być używany w różnych aplikacjach.
- Zwarta konstrukcja, łatwy montaż.
- Może być stosowany razem z silnikiem hydraulicznym serii BMP, BMR, BMS
Instalacja:
- Montaż: Należy zamontować hamulec BK2 z silnikiem hydraulicznym, napełnić hamulec olejem smarującym przez port spustowy, a następnie zamontować z innymi częściami.
- Typ płynu: Mineralny na bazie HM (GB / T763.2-87) (ISO6743 / 4) lub HLP (DIN51524).
- Zakres temperatur: normalny -20 ℃ -90 ℃ najlepsza optymalna sytuacja 20 ℃ -60 ℃
- Zakres lepkości: 20 ~ 75 mm2 / s; najlepsza optymalna sytuacja 42 ~ 74mm2 / s przy 40 ℃ .
- Filtracja: nominalna filtracja 25 mikronów, kod ISO 20/16.
- Konserwacja: zmiana po pierwszych 50 ~ 100h ; następnie po każdych 500 ~ 1000h.
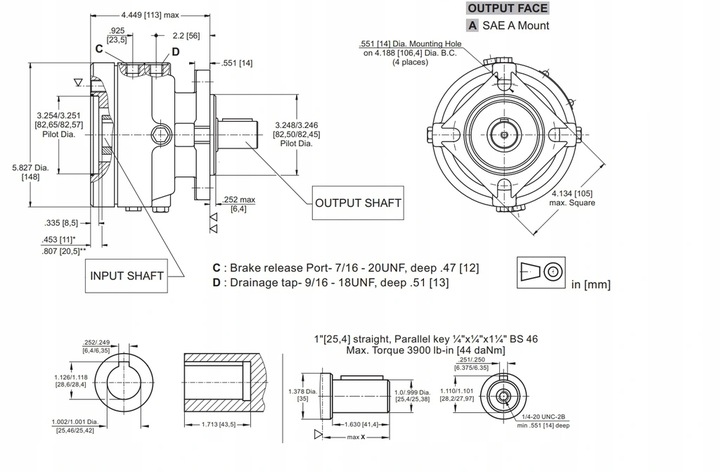
Wersja 430 Nm
Na wałek 25 mm
W swojej ofercie posiadamy większość rodzai silników hydraulicznych jak i również całkowity asortyment z zakresu hydrauliki siłowej. Pompy , rozdzielacze , siłowniki hydrauliczne, zawory , przewody hydrauliczne.